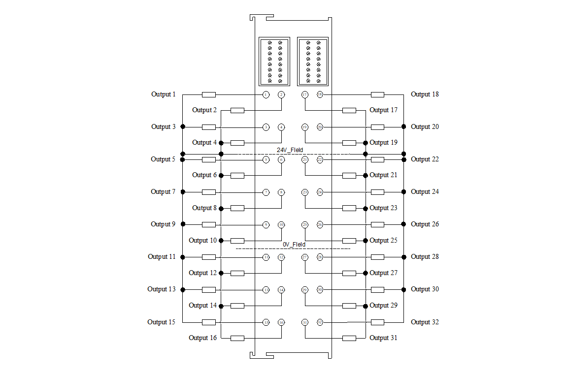
安装与接线


接线图

SRL2032接线图